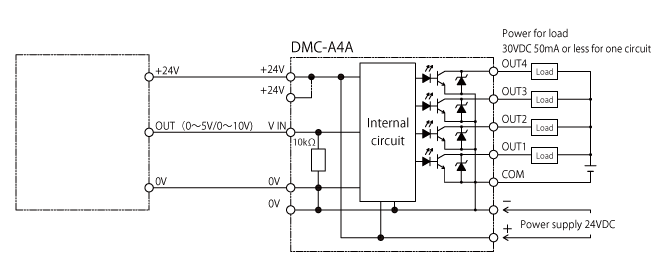
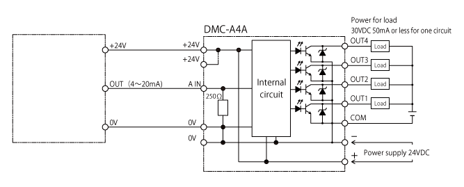
Comparator for analog sensors
DMC-A4A
Supports both voltage and current inputs.
Equipped with a 24 VDC sensor power supply.
- Analog input from sensor convertible to four ON/OFF outputs
Using a single analog sensor easily realizes a system setup of liquid level monitoring. - Supports both voltage and current types of analog input
Analog output sensor of 4-20 mA, 0-5 V, or 0-10 V can be used. - Simple, button entry of settings
Setting increments of 0.01 V or 0.01 mA are available. - Analog input averaging from 1 Hz to 200 Hz
Averaging reduces input noise, stabilizes operation, and improves display intelligibility. - Adjustable hysteresis
Hysteresis on each output is individually adjustable to avoid chattering around the threshold.



