Simple operation

2 types of received light level indication

Enhanced teaching features (sensitivity setting)
- Full auto teaching
Simply pressing the button allows easy teaching; even for an object moving at a high speed.
- Auto teaching
2-point teaching “with" and “without" the work allows the detection of slight level difference such as the thickness of a piece of work and the presence of a film.
- Position teaching
This feature is ideal for high accuracy positioning that requires accurate determination of a detecting point.
- Maximum sensitivity setting
For applications requiring maximum sensitivity setting such as the detection of work with a through beam type fiber optic cable, the extra powerful light allows for use in an adverse environment.
- Manual setting
Arbitrary manual increase and decrease of a “set point" allows level setting while checking the operation.
Secure output for any type of device with the off delay timer

A small object moving at a high speed can be securely detected.
The off delay output enables matching a range of input configurations of connected devices.
Amplifier unit (cable type)

M8 connector type

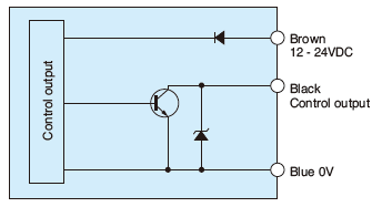
NPN output
F70AR
F70AG
F70AB
F70AW

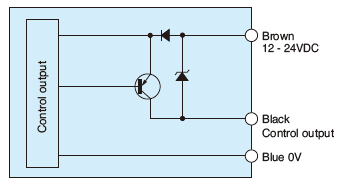
PNP output
F70ARPN
F70AGPN
F70ABPN
F70AWPN

In the condition of load short circuit or overload, the output transistor turns off. Check the load condition before restarting.
M8 Connector Type Input/Output Specification, Pin Assignment and Lead Colors
